Skip to main content

+48 789 169 949

+48 516 129 739

English
Close search engine Clear Search
Products in the cart: 0. See details

Your cart is empty

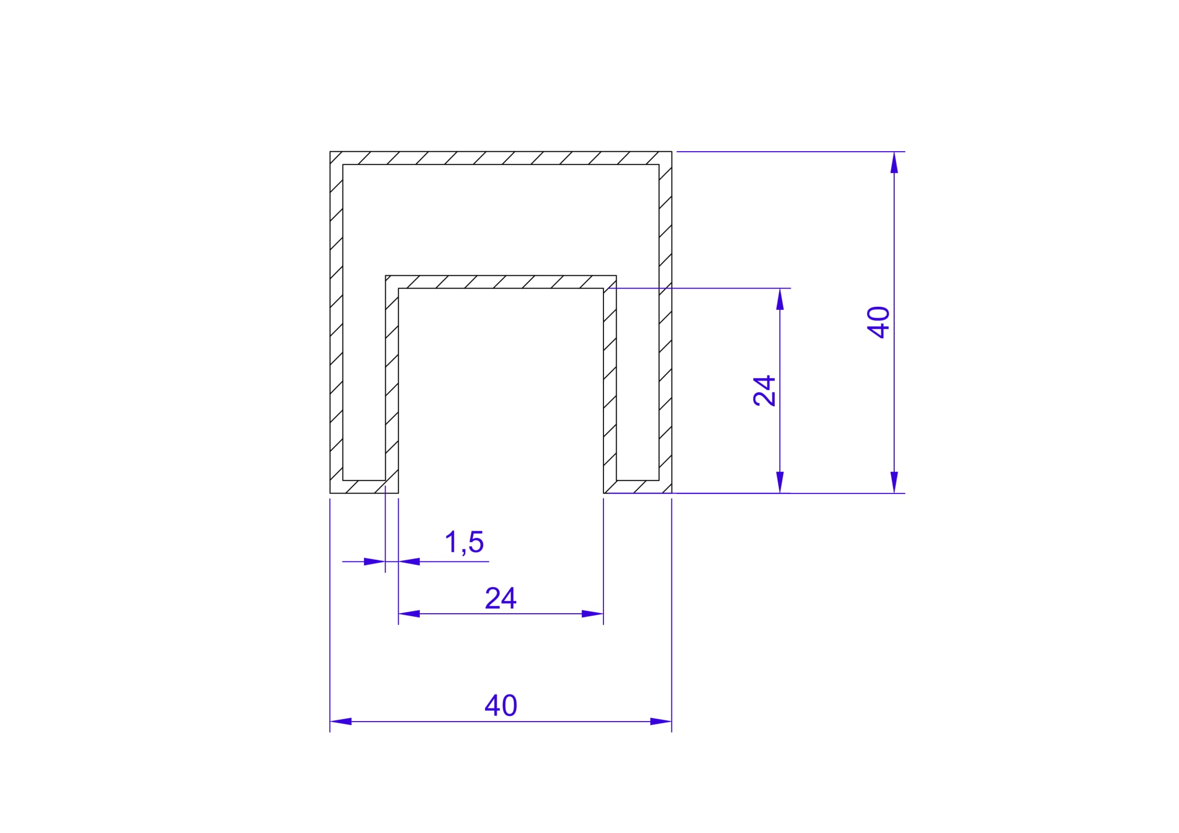
Handrail 40x40mm for glass, AISI 304, SATIN/5m

Go to Product feedback
with VAT without VAT
Price €105.43
incl. 23% VAT

Shipping costs are not included in the price.

Wybierz wariant produktu:

Individual variants may differ in price

Select No gasket 8,00 -11,00 mm (+€23.43) 11,00-12,76 mm (+€21.96) 16,00 -17,50 mm (+€21.96) 17,50 - 19,00 mm (+€14.64) 19,00 - 20,76 mm (+€14.64) 21,52 mm (+€21.96)
szt.
Availability:
product-availability-module running out
Shipping time: 24 h

Description

  • Handrail - applied to 40x40x1,5mm glass
  • Handle with channel for rubber gasket with cross-section - 24x24mm
  • The possibility of mounting glass with a thickness in the range of 8mm to 21.52mm
  • Surface - sanded (matte)
  • Material - stainless steel AISI 304
  • Barbells transport 5.0 mb - individual valuation

Opinions

Number of ratings: 0
Rate and review

Complementary products